-

股票行情快报:特一药业(002728)3月25日主力资金净卖出2388.26万元
证券之星消息,截至2024年3月25日收盘,特一药业(002728)报收于15.23元,下跌3.18...
MXC抹茶交易所 2024-03-26 70
-

股票行情快报:朗特智能(300916)3月25日主力资金净卖出629.47万元
证券之星消息,截至2024年3月25日收盘,朗特智能(300916)报收于19.42元,下跌2.71...
MXC抹茶交易所 2024-03-26 68
-

斯宾特贸易(上海)有限公司成立,注册资本3000.00万元人民币
近日,斯宾特贸易(上海)有限公司成立,法定代表人为刘友清,注册资本3000.00万元人民币,经营范围...
MXC抹茶交易所 2024-03-26 51
-

朗特智能:公司累计审批对外担保总额为人民币8000万元
每经AI快讯,朗特智能(SZ 300916,收盘价:20.45元)3月21日晚间发布公告称,截至本公...
MXC抹茶交易所 2024-03-26 50
-

股票行情快报:唯特偶(301319)3月25日主力资金净卖出210.37万元
证券之星消息,截至2024年3月25日收盘,唯特偶(301319)报收于48.75元,下跌5.3%,...
MXC抹茶交易所 2024-03-26 76
-

德固特:公司海外业务以外币结算方式为主,人民币汇率波动对公司业绩将产生一定的影响
每经AI快讯,有投资者在投资者互动平台提问:请问人民币汇率变化对贵公司的利润影响具体是什么样的?比如...
MXC抹茶交易所 2024-03-26 116
-

德固特:人民币汇率波动对公司业绩将产生影响,具体影响效果具有较大不确定性
金融界3月25日消息,有投资者在互动平台向德固特提问:请问人民币汇率变化对贵公司的利润影响具体是什么...
MXC抹茶交易所 2024-03-26 51
-

全新原装 Analog Devices品牌 模数转换器 - ADC LTC2171IUKG-12#PBF
Analog Devices 模数转换器 - ADC 12-Bit, 40Msps Low Pow...
MXC抹茶交易所 2024-03-25 49
-

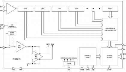
国芯思辰| 14位ADC SC2245可用于工业高速采集板卡,替换LTC2245
为了满足工业系统对实时控制日益增长的需求,工业高速采集板卡需要高速数据采集精度。在高速数字控制环路...
MXC抹茶交易所 2024-03-25 99
-

LTC203压路机:专业品质,为您的道路施工保驾护航!
不论是哪个季节,国内各地都会有不同的工程建设,有道路基建,有地基夯实,有管道回填等等。相对应机械设备...
MXC抹茶交易所 2024-03-25 49






